VINCOTECH’S NEW MID-POWER VINcoPACK E3 OUT NOW

Vincotech now has an extended the new industry-standard low-profile package for mid-power inverters by a sixpack configuration. Engineered mainly for industrial drives, solar power, and UPS applications, the VINcoPACK E3 raises the performance bar with its superior efficiency and reliability.
Following the VINcoDUAL E3, the new 1200 V sixpack module VINcoPACK E3 features SLC (SoLid Cover) technology, which combines an insulated metal baseplate and direct potting resin to achieve both high thermal and high power cycling capability. This module is also equipped with the latest low-loss IGBT M7 chips and achieves high power density.
The new VINco E3 line contains the half-bridge VINcoDUAL E3, this new sixpack VINcoPACK E3 and PIM configuration are due to follow.
Main benefits:
/ Extended module lifetime based on the new SLC- and IMB Technology
/ Increased power density featuring the new IGBT M7 chip technology
/ Multiple chip sourcing ensuring the highest supply chain safety
/ Cost competitive w/o expensive base plate component
Features:
/ Industry-standard, low-profile package
/ Built-in NTC
/ Scalable product platform
Target applications:
- Industrial drives
- Solar
- UPS
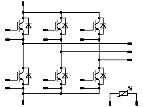
VINcoPACK E3 schematic
Low-profile package for mid-power applications
VINcoPACK E3 overview:
| Part.-no. | Voltage in V | Current in A | Technology |
| A0-VS126PA100M7-L997F70 | 1200 | 100 | IGBT M7 |
| A0-VS126PA150M7-L998F70 | 1200 | 150 | IGBT M7 |
| A0-VS126PA200m7-L999F70 | 1200 | 200 | IGBT M7 |
Alternatively please view some more information on the complete VINco E3 range here.
Samples of this new sixpack module may be sourced on demand from our usual channels.